I will re-create a 3D model from a 2D prints and drawings (SolidWorks & Fusion 360)

jaked4
Request a service

2D drawing to 3D SolidWorks/Fusion 360 Model
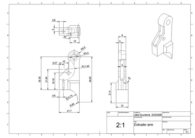
Provide a 2D drawing of a part with necessary dimensions and tolerances, and I will re-create the model In SolidWorks or Fusion 360 and create a digital version of the print. I can provide SolidWorks files, STEP files, and STL files in addition to the print.

4 delivery

3 revisions


custom work
Request customized services

If this service doesn’t quite match your needs, reach out for a custom quote. Discuss pricing and deadlines to design a project just for you.

About this service

I will take a 2D drawing and 3D model it in SolidWorks or Fusion 360, then create a digital version of the drawing with tolerances. I can also make basic revisions to the model by request.
I will take a 2D drawing and 3D model it in SolidWorks or Fusion 360, then create a digital version of the drawing with tolerances. I can also make basic revisions to the model by request.
I will take a 2D drawing and 3D model it in SolidWorks or Fusion 360, then create a digital version of the drawing with tolerances. I can also make basic revisions to the model by request.
I will take a 2D drawing and 3D model it in SolidWorks or Fusion 360, then create a digital version of the drawing with tolerances. I can also make basic revisions to the model by request.

Service offer categories

2D to 3D Modeling

Software & skills

2D & 3D Modeling Solidworks 2D to 3D Conversion SolidWorks

This service includes

Service tiers Simple $25
Summary 2D drawing to 3D SolidWorks/Fusion 360 Model
Details Provide a 2D drawing of a part with necessary dimensions and tolerances, and I will re-create the model In SolidWorks or Fusion 360 and create a digital version of the print. I can provide SolidWorks files, STEP files, and STL files in addition to the print.
Delivery time 4 days
Number of revisions 3
jaked4
East Greenwich, Rhode Island, United States – 4:40 a.m. local time

Member since
February 2026
Languages
English
Avg. response time
1 hour

Mechanical Engineering Student with SolidWorks experience

I can model 3D parts in SolidWorks from 2D drawings.

I have modeled projects for 3D printing, and Machining. From basic parts to smaller assemblies.

Undergraduate Mechanical Engineering & Technology Student at New England Institute of Technology.
Request a service

2D drawing to 3D SolidWorks/Fusion 360 Model
Provide a 2D drawing of a part with necessary dimensions and tolerances, and I will re-create the model In SolidWorks or Fusion 360 and create a digital version of the print. I can provide SolidWorks files, STEP files, and STL files in addition to the print.

4 delivery

3 revisions


custom work
Request customized services

If this service doesn’t quite match your needs, reach out for a custom quote. Discuss pricing and deadlines to design a project just for you.

Billing Security Policy
Cad Crowd Billing Security policy

Service quality is protected by Cad Crowd Billing Security policy.