Pick the Right Construction Drawings For Project That Your Firm Needs for Engineering and Architectural Projects

blog-banner- Elize -2 5

Today’s post discusses the things you need to know when it’s time to pick the right construction drawings your firm needs for engineering and architectural projects. A single construction project’s successful completion is made possible thanks to the multiple industries working together. With the help of construction drawings services, these professionals will know even before the start of the project what exactly they will work on and what the expected result is.

You can say that these construction drawings offer a visual framework that solidifies a deeper understanding of those involved in their respective assignments and how these will come together to finish the structure.

Cad Crowd has 15 years of experience as an industry leader, providing outsourcing services to architectural and construction firms. Here’s what we learned.


🚀 Table of contents


RELATED: Purpose of shop drawings, construction drawings, and as-built drawings for companies: All you need to know

Overview of construction drawings

A construction drawing is a visual plan that is either drawn manually or using a digital program to represent the structure that will be built, whether it is a commercial, public, or residential property. The drawings serve as a guide during the construction phase through their depiction of the dimensions of the structure, the materials that will be installed, and other similar factors.

These drawings also make it possible to make sure that the necessary permits will be granted to the project by the local authorities. Most of the time, architectural design firms are the ones in charge of creating a project’s construction drawings.

But there are also instances wherein other professionals also hand in a construction drawing or more. For bigger commercial projects, for example, engineers may opt to provide their own drawings for ventilation, fire protection, or plumbing.

For your next engineering and architectural projects, here are the most common types of construction drawings you can choose from:

Detail drawings

A detailed drawing depicts elements found in other forms of construction drawings but, this time, on a much bigger scale. These drawings offer more comprehensive data regarding the connections between and the placement of every part.

Architects may come up with detailed drawings for window frames, door frames, material connections where the foundation and a column meet staircases and cornices, or decorative features close to the top of the wall.

Say you want cornices to adorn your future house. Detail drawings should include all the nearby wall studs and roof rafters.

Electrical drawings

It is common for the drawings of most commercial or residential buildings to require a functional outline of how many light fixtures, fan fixtures, power outlets, and the like are there. Electrical drawings are also made up of wiring patterns and details about the specific electrical load that can be carried by the structure. Electrical 2D drafting services would most commonly cover most of this work.

Other common details indicated in these drawings include the layout of light fixtures, the cable tray layout, the earthing layout, the lighting protection system, the generator, and other similar equipment, as well as the classifications of hazardous areas.

RELATED: A comprehensive guide on steel shop drawings for freelancers and construction companies

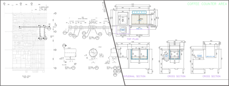
examples of construction drawings for hvac and electricals

Elevation drawings

An elevation drawing offers a vertical depiction of the structure as if you are looking directly at it. Elevation designers have these elevation plans drawn in two dimensions, which means that they don’t show the depth of the project.

Elevation drawings help present how the façade and exterior layout of the building must look like. If you wish to have a certain material for the roofing or siding of your structure, for example, this should be depicted in the elevation drawings. The drawings must also indicate the measurements for the distance between windows and for the rest of the exterior fixtures.

Excavation plans

Excavation is the first step in most construction projects, setting the stage for everything that follows. Excavation plan drawings are essential as they outline the dimensions and methods required to prepare the site. Whether trenching for utility lines or tunneling for a subway system, these plans specify the depth, width, and length of the excavation, ensuring the project starts on a solid foundation.

For example, a residential building with a basement will require deeper excavation compared to a structure without one. The accuracy of these plans is crucial, as any mistakes can lead to costly delays and structural issues down the line.

Finishing drawings

Finishing drawings are where the vision of the project begins to take shape. Unlike detail drawings, which focus on structural elements like door frames and windows, finishing drawings emphasize the aesthetic aspects of the building. These drawings might include floor patterns, wall paint colors, and plaster textures, allowing the client to visualize how the final product will look. This can further be utilized through architectural presentation services to help market or sell it.

For instance, if a client desires a particular floor pattern that complements the wall color, this would be detailed in the finishing drawings. These plans ensure that every design element is meticulously planned and executed, resulting in a cohesive and visually appealing final product.

RELATED: Architectural construction drawings and how companies apply them in their projects

Fire protection drawings

The safety of the building’s occupants is paramount, and fire protection drawings are a critical component in achieving this goal. These drawings detail the placement of fire alarms, sprinkler systems, and fire extinguishers, ensuring that the building is equipped to handle emergencies.

Key elements of fire protection drawings include fire alarm plans, fire sprinkler plans, and fire extinguisher plans. These drawings must comply with fire safety codes and regulations, making them an essential part of the construction process.

Floor plans

Floor plans provide a bird’s-eye view of the building without the roof, showing the layout of each floor. These plans include the dimensions of interior and exterior walls, room types, material specifications, and the direction of stairs. For multi-story buildings, a unique floor plan is created for each level, detailing everything from the kitchen layout on the first floor to the bedroom configurations on the second.

Floor plans are crucial for ensuring that the building’s layout meets the client’s needs and adheres to local building codes. They provide a clear roadmap for construction teams, ensuring that every element is built according to plan. 3D floor plan design services are one of the most common outsourced services as well.

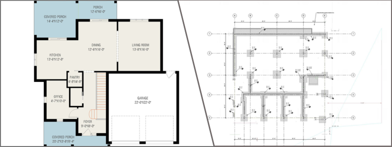
construction drawing of a floor plan and foundation plan

Foundation drawings

Foundation drawings are arguably the most important part of any construction project. These drawings provide the blueprint for the building’s foundation, detailing the dimensions, layouts, and specific requirements needed to ensure structural stability. Foundation drawings are essential for meeting local building regulations and codes, as they dictate the entire structure’s stability above ground.

Without accurate foundation drawings, the risk of structural failure increases, leading to potential safety hazards and costly repairs.

RELATED: Why as-built drawings services are important for architects and designers

Electrical and mechanical drawings

Mechanical and electrical drawings are vital for detailing the design and location of the building’s power structures. These drawings might include thermostat placements, ductwork structures, switch locations, and wiring paths. Depending on the building’s complexity, these plans may be combined or separated.

For example, a hospital construction project might require separate mechanical and electrical drawings due to the complexity of its ventilation systems. In contrast, a small residential property may combine these elements into a single set of drawings.

These plans ensure that all mechanical and electrical systems are installed correctly, providing the necessary infrastructure to power the building safely and efficiently. Companies may consider using electrical schematic drawing services to standardize these systems.

Perspective drawings

Perspective drawings experts offer a three-dimensional view of the proposed structure, helping construction crews and clients visualize the final product. These drawings can show how elements like porches, balconies, or other architectural features will appear once constructed.

Perspective drawings are particularly useful for complex projects where the final appearance is a critical concern. They provide a clear picture of how the finished building will look, helping to align expectations and guide the construction process.

Plot plans

Plot plans are similar to site plans but provide more detailed information about the land where the structure will be built. These plans often include land survey marks and are used to establish the boundaries of the structure and the entire property.

For instance, a plot plan might show that the proposed building leaves room for landscaping on two sides. These plans are essential for ensuring that the building is constructed within the designated boundaries and complies with zoning regulations.

RELATED: Exploring pros and cons of digital concept designs in 2D CAD for companies

Plumbing and drainage drawings

Plumbing and drainage drawings are critical for ensuring that water moves efficiently in and out of the building. Plumbing designers use these drawings to detail the exact locations and sizes of pipes, water tanks, pumps, drains, and vents.

Proper plumbing and drainage are essential for maintaining the health and safety of the building’s occupants. These drawings ensure that water systems are installed correctly, preventing leaks, floods, and other water-related issues.

Reflected ceiling drawings

Reflected ceiling drawings show what the ceiling will look like when viewed from the floor. These plans might include the placement of light fixtures, aesthetic features like cornices, and the design of visible columns.

Some reflected ceiling plans are more complex than others, depending on the building’s interior design. For example, a building with intricate cornices and decorative elements will require more detailed reflected ceiling drawings.

Section drawings

Section drawing designers provide a vertical perspective of the building, revealing the hidden structures beneath the surface. These drawings might show the inside of walls, the foundation, beams, columns, and other support structures.

For example, if a building includes stone columns, the section drawings would detail how these columns are constructed and integrated into the overall structure. These plans are essential for understanding how the building is put together and ensuring that all elements are properly aligned.

construction engineering drawing and shop drawing

RELATED: Essential cost-saving strategies for CAD drafting services for your company

Site plans

Site plans provide an overview of the entire construction site, including existing structures, topographical elements, and proposed changes. These plans might show nearby roads, buildings, and natural features like trees or changes in land elevation. Architectural site plan services specialize in this type of drawing, as opposed to a focus on specific structures or buildings like architects would have.

For example, if an apartment building is being constructed near existing trees, the site plan would show how the building will be positioned in relation to those trees. Site plans are crucial for ensuring that the construction project fits within the broader landscape and complies with local zoning regulations.

Structural drawings

Structural drawings provide a comprehensive view of the building’s primary framework. Created by licensed structural engineers, these drawings focus on load-bearing elements like steel beams, framing materials, and other critical components.

Structural drawings are essential for ensuring that the building is constructed safely and meets all necessary regulations. They provide a clear roadmap for the construction team, guiding them through the process of building a stable and secure structure.

How Cad Crowd can help

If you’re planning a construction project and need professional assistance with your construction drawings, Cad Crowd is here to help. Our team of experienced designers and engineers can create detailed, accurate drawings tailored to your project’s needs. Cad Crowd is an industry leader that’ll guarantee you get connected to the best drawing professionals. Contact us today to request a quote and get started on your path to a successful construction project.

author avatar
MacKenzie Brown CEO

MacKenzie Brown is the founder and CEO of Cad Crowd. With over 18 years of experience in launching and scaling platforms specializing in CAD services, product design, manufacturing, hardware, and software development, MacKenzie is a recognized authority in the engineering industry. Under his leadership, Cad Crowd serves esteemed clients like NASA, JPL, the U.S. Navy, and Fortune 500 companies, empowering innovators with access to high-quality design and engineering talent.

Connect with me: LinkedInXCad Crowd