Formula Student Planetary Gearbox Design

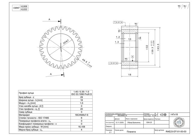
Designed a compact planetary gearbox for a dual-motor Formula Student EV. Using OptimumLap lap simulations, we selected final drive ratios for acceleration/autocross (5.1) and endurance (6.4), then iteratively chose gear tooth numbers and module to meet packaging constraints around the inboard motors. I processed lap-time torque traces in MATLAB to build a duty-cycle load spectrum, which was used in KISSsoft to calculate gear root and flank safety factors according to ISO standards and to size gear width and material (case-hardened 18CrNiMo7-6). I also did dimensioning the sun–shaft connection with pins, checking shear/bearing stresses, and creating fully dimensioned CATIA drawings for the ring gear, planet carrier, shafts and hubs.

Files (5)

License: CC - Attribution Learn more
analysis catia 3d-modeling planetary-gear report kisssoft