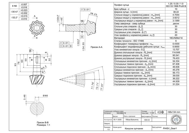
Drive Axle – Spiral Bevel Gear Set Design

Designed the rear axle spiral bevel ring-and-pinion for a Nissan X-Trail–based vehicle. Using MATLAB, I calculated the weighted input torque from the duty cycle over all gears and vehicle lifetime, then used this torque as input to a KISSsoft bevel gear calculation according to ISO 10300/23509. I selected case hardened steel, defined geometry, materials and lubrication, verified tooth root and flank safety factors and service life, and created fully dimensioned manufacturing drawings for both gears.

Files (4)

License: CC - Attribution Learn more
cad gear drawing bevel-gear