Engineering an Adjustable Ladder Platform for Vehicle Access

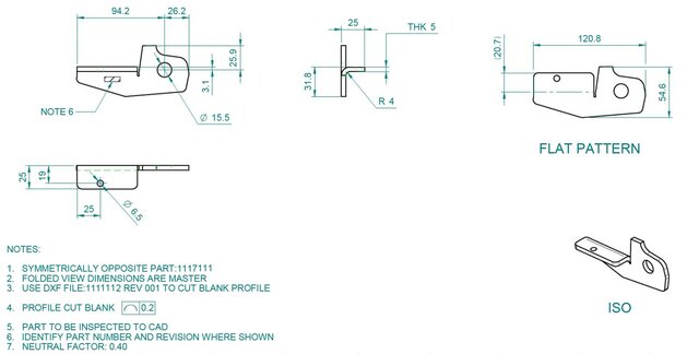
Project focuses on designing a safe, ergonomic, and durable automotive ladder platform to improve vehicle access during maintenance and inspection. The design includes structural analysis, material selection, stability assessment, and compliance with safety standards. The outcome is a lightweight, modular platform that enhances technician efficiency and workplace safety. Various Mechanical needs: strength, stiffness, durability, fatigue resistance Safety and compliance: load capacity, stability, standards Environmental conditions: corrosion, temperature, wear. Ergonomics, weight, comfort
concept-car structural-3d-modeling design-service design-3d-design part-assembly-design automobile-interior-cad