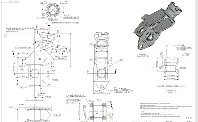
Aerospace Coiumn Control Assembly
MECHANICAL DESIGN/CAD ENGINEER
Follow
Hire
Collect
Share
Share with friends & colleagues
Aerospace Coiumn Control Assembly design by MECHANICAL DESIGN/CAD ENGINEER
Copy link
Email
Messages
WhatsApp
Messenger
Facebook
X.com
Linkedin
Report
a. Include design of Oring (Static & Dynamic), preloaded helical compression spring design calculation, bearing selection, Damper Design & LVDT assembly
Published
Mar 28, 2026
in
Aerospace Engineering
Rendering Images