I offer custom mechanical engineering design for precision parts with ANSYS
About this service
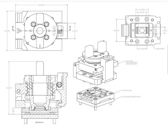
High quality precision 3d modelling using software like solid works Auto desk inventor further can carry out structural analysis using ANSYS software. Delivering all the design models in a quire format like step, IGS, binary file etc
High quality precision 3d modelling using software like solid works Auto desk inventor further can carry out structural analysis using ANSYS software. Delivering all the design models in a quire format like step, IGS, binary file etc
High quality precision 3d modelling using software like solid works Auto desk inventor further can carry out structural analysis using ANSYS software. Delivering all the design models in a quire format like step, IGS, binary file etc
High quality precision 3d modelling using software like solid works Auto desk inventor further can carry out structural analysis using ANSYS software. Delivering all the design models in a quire format like step, IGS, binary file etc
Service offer categories
2D to 3D Modeling
Structural Engineering
Mechanical Engineering
Software & skills
2D & 3D Mechanical Modeling
3D Design and Modeling
ANSYS Mechanical Workbench
FEA Analysis
Solidworks
Static Analysis
+3 more
Member since
February 2026
Languages
English,
Telugu,
Hindi,
Malayalam
Avg. response time
1 hour
Senior scientist
MTech in aerospace structures and design. Vast experience in mechanical systems design and development. 3D modelling using softwares. Structural analysis.
Cad Crowd Billing Security policy
Service quality is protected by Cad Crowd Billing Security policy.
More similar services
See related services
- 3D Design services
- 3D Modeling services
- CAD Design services
- 2D & 3D Design services
- 2D & 3D Modeling services
- CAD Modeling services
- 3D CAD Modeling services
- 2D & 3D CAD Design services
- Engineering Design services
- Drafting services
- AutoCAD services
- 3D Models services
- Mechanical Design services
- Product Design services
- Mechanical 3D Design services
- 2D Drafting services
- Design for Manufacturing services
- 2D Drawing services
- Rendering services
- CAD Drafting services
- 2D AutoCAD services
- 3D Rendering services
- Architectural Design services
- SolidWorks services
- 3D Solidworks services
- Mechanical Engineering services
- 2D & 3D Drafting services
- 2D/3D AutoCAD services
- 2D & 3D Modeling Solidworks services
- Assembly Design services
- 2D & 3D Architectural Design services
- CAD Assembly services
- Design Engineer services
- Mechanical Engineer services
- Industrial Design services
- Engineering Drawing services