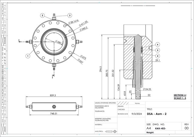
Technical Drawings

This portfolio features my latest technical drawings and CAD models, designed for a range of industrial products. Each file embodies a high level of precision, clarity, and technical expertise, providing manufacturers and collaborators with essential visual and informational tools for successful product realization.
solidworks industrial-design rapid-prototyping mechanical-engineering design-for-manufacturing