Pressure Vessel & Autoclave System – 3D Mechanical Design

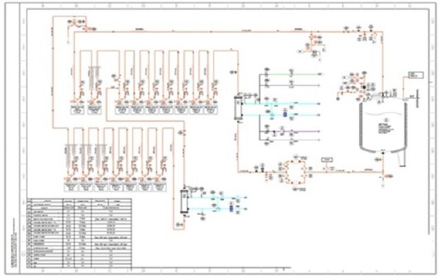
3D mechanical design of an industrial autoclave system, including pressure vessel, structural frame, piping layout, and auxiliary equipment. The project involved conceptual design, mechanical layout, and preparation of models suitable for manufacturing and technical review. Design decisions were made considering pressure equipment requirements, maintainability, and integration with process systems. This project demonstrates experience in industrial equipment design, pressure vessels, and complex mechanical assemblies.
p-id pressure-vessel mechanical-3d-modeling industrial-equipment solidworks-2024 3d-360 autoclave