Fabrication set
veruska
Follow
Hire
Collect
Share
Share with friends & colleagues
Fabrication set design by veruska
Copy link
Email
Messages
WhatsApp
Messenger
Facebook
X.com
Linkedin
Report
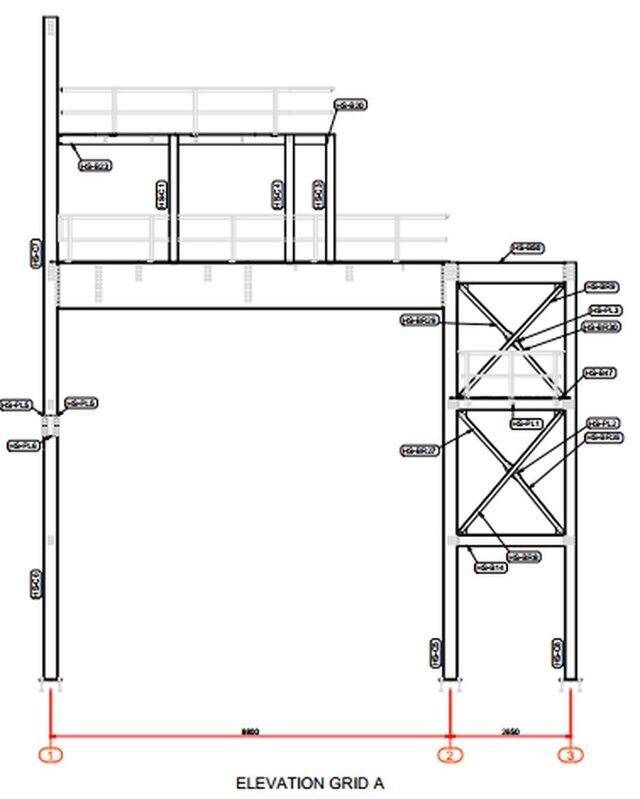
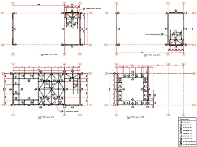
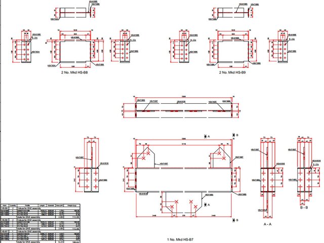
Intelligent 3D model, from which bill of materials and NC/DXF files were extracted and drawings were created for design by engineer and then for fabrication by workshop.
Published
Jan 13, 2026
in
3D Modeling
2D CAD Drafting Services
3dmodeling
steeldetailing
draughting
Rendering Images