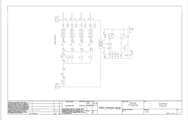
Electrical Schematic design

Developed a detailed electrical schematic design showcasing power distribution, lighting layout, and circuit protection systems. The project emphasizes clarity, accuracy, and compliance with industry standards, providing a reliable blueprint for construction and maintenance use.
electrical-engineering