Cad Drafting, Scan to CAD

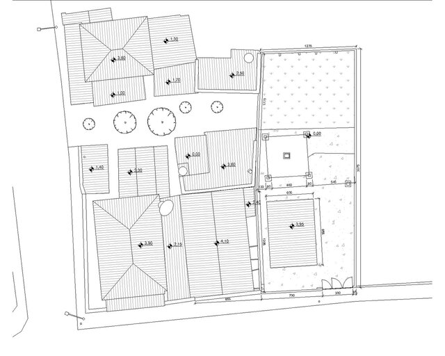
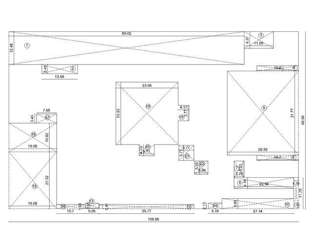
At LMR Architects and Planners, we provide professional CAD As-Builts and CAD Drafting services that ensure precise, reliable documentation for every project. Whether you’re working on a new build, renovation, or retrofit, our team is equipped to deliver accurate drawings and models that reflect the true state of your project—down to the finest detail. CAD As-Builts: We specialize in creating detailed As-Built Drawings using advanced laser scanning and field verification techniques. These drawings provide an accurate representation of the existing conditions of a structure or space, ensuring that every dimension, opening, and feature is captured with precision. Our As-Built CAD Drawings help streamline the renovation or remodeling process by providing a clear foundation for further design work, minimizing costly errors or omissions. CAD Drafting: Our expert drafters use AutoCAD and other industry-standard software to produce high-quality, 2D and 3D drafting services. From floor plans and elevations to section views and construction details, we create detailed, easily understandable drawings that communicate your project’s design intent clearly and accurately. Our CAD drafting services are designed to meet the highest standards, ensuring that your plans are ready for construction or permitting with minimal revisions required. Whether you require as-built documentation for renovation projects, drafting services for new builds, or detailed construction drawings, our team ensures your project stays on track with precise, well-organized, and error-free CAD deliverables.
autocad cad pdf-to-autocad scan-to-cad cad-conversion