AutoCAD Heater Control Panel – Reverse-Engineered & Documented

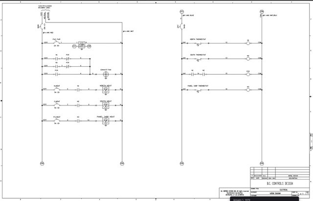
Performed as Controls Engineer on a full-cycle industrial project: reverse-engineered and replaced an undocumented relay-based heater control panel serving North, South, and shop heating zones. Project Challenge: Existing panel had no drawings, no wiring labels, and intermittent reliability issues in a manufacturing environment. Needed a safe, standards-compliant replacement with complete documentation for maintenance and future modifications. Scope & Process: On-site assessment of unlabeled panel and heating system wiring Hand-drew complete electrical schematic from scratch to capture existing functionality Sourced all components from stockroom (contactors, relays, breakers, etc.) Built the new panel with professional wiring, labeling, and organization Produced full production-ready documentation in AutoCAD (or DraftSight for DWG compatibility): Detailed electrical schematics Panel layout views Bill of Materials (BOM) Batch-exported PDF package for printing/installation Standards & Compliance: Built to NEC electrical codes using only UL-listed components and following UL 508A design practices (though no official sticker applied). Every circuit, terminal, and panel labeled for easy troubleshooting and safety. Result & Benefits Delivered a reliable, maintenance-ready heater control system with short downtime of 3 hours for install. Complete documentation package enables future expansions or repairs without guesswork — ideal for industrial facilities needing professional, documented controls. This project demonstrates my end-to-end capabilities in electrical drafting, control panel design, reverse-engineering undocumented systems, and delivering field-ready AutoCAD packages compliant with industrial standards.

Files (12)

License: CC - Attribution Learn more
electrical-engineering autocad-elecctrical industrial-controls electrial-autocad image-to-cad-conversion pdf-dwg control-panel-design ul508a